just out of curiosity, conversion done out of interest or is there really an advantage?
5Q1953549G clock spring supports start-stop engine and drive profiles buttons. It is installed in Cupra Leon and Formentor with those additional buttons in steering wheel. That clock spring has two additional connectors (pin 5 and 6) which are absent on any other clock spring

1723928505398.png
 
  • Like
Reactions: cairus
5Q1953549G clock spring supports start-stop engine and drive profiles buttons. It is installed in Cupra Leon and Formentor with those additional buttons in steering wheel. That clock spring has two additional connectors (pin 5 and 6) which are absent on any other clock spring

View attachment 43776
This is great information gathering, well done!

I notice on your spreadsheet that some information, like what vehicles some stalks are fitted to, are missing. Is there a specific reason for this or just not got around to those ones yet? For example, 5FA919719AM is for Leon KL.

1723989553268.png
 
I notice on your spreadsheet that some information, like what vehicles some stalks are fitted to, are missing. Is there a specific reason for this or just not got around to those ones yet? For example, 5FA919719AM is for Leon KL.
I couldn't be bothered to much to verify and fill every missing information, especially when they are not crucial regarding features. Maybe some day, who knows. That's all :)
 
  • Like
Reactions: Slavixs and Craig.
A little update with 5Q1 steering control module... Found the bug, that Blue/violet wire from gear selector lever must be pinned to BCM T73A/24, other vise car don't see that it is in Parking, also can't lock car doors in any way... I will update my post about wiring also to avoid problems for other retrofitters.
Now, all things work great as they shold!
Screenshot 2024-08-19 15.27.07.png
 
Time to refresh a bit this topic because there are few new things that I've been able to gather since last time.

Adjust steering wheel temperature

My colleague discovered that you are able to adjust steering wheel temperature for each of 3 steps. In adaptations of Module 16 there are three separate options that corresponds to max temperature of each heating level:
  • P t soll 0
  • P t soll 1
  • P t soll 2
Cupra VZ steering wheel retrofit

I know that's a bit of an offtopic, but I am sure that there will be some people interested in this modification.

I am working on retrofitting Cupra VZ steering wheel in Leon 3. It's a bit slow process because parts are not cheap, but I am slowly getting there. Nevertheless there are two known thing for now:
  1. Drive mode button does not work out of the box and definitely needs correct gateway parametrization. Here is a tool that should help resolving the issue, but I was not able to test it yet: https://mqbtools.nl/fpa/
  2. Start/stop engine button does require 5Q1953549G airbag slip ring
What is special about that slip ring is that it has two dedicated pins that passes through signal from steering wheel to whatever place you connect them. On the diagram below you can see that Start/Stop engine button has two separate cables (pin 3 and 4) that goes directly to the 12-pin connector, which then goes straight from slip ring to BCM (based on Formentor diagrams, not displayed on this sketch). I am not 100% sure, but I believe that Leon 3 with 5Q0 slip ring have start/stop engine button connected to the Kessy module rather than to the BCM. It should not matter that much as long as start/stop engine button from steering wheel sends the same signal as button on center console. It definitely needs more testing to expand the knowledge.

1741170126540.png


Here is a photo of those wirings. On top is airbag wiring, on bottom is steering wheel wiring.

1741170292659.jpeg


And last, here's how that VZ steering wheel looks in Leon 3 :)

1741170566327.jpeg
 
I already know about the conversion with the start button on the steering wheel. We solve the problem by leading the wiring to the original button, then connecting the new button to the counterpart of the plug on the OEM plug. The idea is that you can quickly go back to OEM. Then a panel without a hole and you're done.
 
I still have a complete set of wheel/airbag/stalks for this modification that I never carried out 9sold the Leon). If anyone is looking for a set. Parts are in pristine condition. Same wheel as above but with paddle shifters.
 
I still have a complete set of wheel/airbag/stalks for this modification that I never carried out 9sold the Leon). If anyone is looking for a set. Parts are in pristine condition. Same wheel as above but with paddle shifters.
Chuck it up in the for sale section with a price etc, I'm sure someone will snap it up!
 
So ok, here it is.
I got 5Q1 module from Golf 8 - 5Q1 953 549 F, with heated steering wheel option.
I repined it using Golf 8 diagrams as I got it from Golf 8, and You never know. Also as I had Skoda Kodiaq 5Q0 module installed before, I will not write from which pin to which I pinned wires as wiring already was not like from factory...

Repined connector now looking like this:
Pin 1 - Red/blue(Positive from fuse box for heated steering wheel)
Pin 4 - Brown (GND)
Pin 5 - Violet (LIN from BCM - T73C/54) [This I was missing, as did not have this wire at all]
Pin 6 - Red/White (Positive from fuse box)
Pin 8 - Brown (GND for heated steering wheel)
Pin 9 - Yellow (SIG- from AirBag module)
Pin 10 - RED (SIG+ from AirBag module)
Pin 11 - Black/white (SIG from engine control unit)
Pin 12 - Violet/Blue (LIN from Gateway)

blue/violet wire (this one was going from J587 - Selector lever to old 5Q0 steering control module) this need to wire to BCM T73c/24.

Leftover Can High, Can Low just take out or isolate.
And from beginning I did not have black/green, black and violet/red (this I was needed), so not sure to which diagrams to relay on.

Coding is done trough Adaptations in 09 module under "SMLS" adaptations.
Also in Adaptations > Lenkstockschalter > Verbauort Lenkstockschalter, change from CAN to LIN

And finally it works.

View attachment 43769
After some dicussion with @grabania , I don't think that your statement regarding the missing violet/red wire is correct. We have concluded that if you have kessy your are missing all the wires you have reported missing:

"And from beginning I did not have black/green, black and violet/red (this I was needed), so not sure to which diagrams to relay on."

You didn't need this violet/red wire, because it is for a car without kessy. In fact, you didn't need any of them because you have kessy, all these wires are for a car without kessy thus a cylinder switch. You where also missing the RED/BLACK wire in fact.

So a 5q0 to 5q1 slipring conversion will be a little bit more difficult on a car without kessy, but not impossible. This due to the missing white 8 pin connector on the slipring for the key switch. We concluded that all the wires which are needed are already there but we need to change the 5q0 (key switch) to a 5q1 (key switch). And rewire the keyswitch to the 16 pin connector by-passing the slipring completly, like VAG did with the 5q1 models.

The partnumber I have found for a key switch is 5q1 905 865 it cost around 20 bucks.

I have made a table and a diagram below for somebody who is interessted in a 5q1 conversion with heated steering wheel on a car without kessy. @grabania will test it out later:

5Q05Q1
SlipringPin 1-->Pin 6Slipring
SlipringPin 2-->Pin 4Slipring
SlipringPin 5-->Pin 11 (slipring)Slipring
SlipringPin 6-->Pin 6 (key switch)Key switch
SlipringPin 7-->Pin 5 (keyswitch)Key switch
SlipringPin 8-->Pin 12(slipring)Slipring
SlipringPin 11-->TO BCM T73a/24Extend
SlipringPin 14-->Pin 3 (key switch)Key switch
SlipringPin 16-->Pin 4 (keyswitch)Key switch
AirbagPin 1-->Pin 10 (slipring)Slipring
AirbagPin 2-->Pin 9 (slipring)Slipring
NewPositive-->Pin 1Slipring
NewBCM T73c/54-->Pin 5Slipring
NewGround-->Pin 8Slipring
NewPositive-->Pin 2Key switch


diagram_5q0-5q1.png


In the following tables the original pin outs:

table_5q0-5q1.png


Also the diagrams used are shown below:

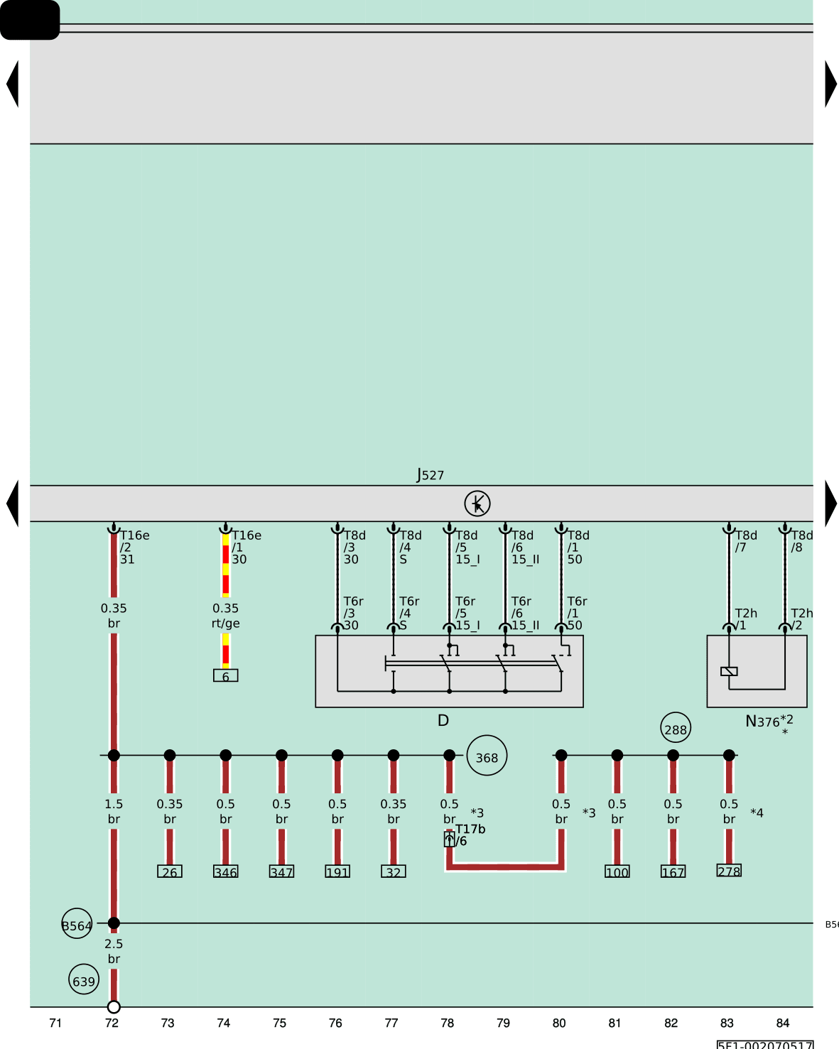
For the 5q0 slipring setup the kew switch (D) is connected using a white connector (8 pin) on the slipring. On 5q1 slipring there is no place for this connector.

5F1-002070517.png


For the 5q1 slipring setup the key switch (D) is by-passing the slipring completly:
5F1-169080720.png

5q0 slipring connector pin out:

1743156168635.png
1743155018404.png
 

Attachments

  • table_5q0-5q1.png
    table_5q0-5q1.png
    26.1 KB · Views: 104
Last edited:
After some dicussion with @grabania , I don't think that your statement regarding the missing violet/red wire is correct. We have concluded that if you have kessy your are missing all the wires you have reported missing:

"And from beginning I did not have black/green, black and violet/red (this I was needed), so not sure to which diagrams to relay on."

You didn't need this violet/red wire, because it is for a car without kessy. In fact, you didn't need any of them because you have kessy, all these wires are for a car without kessy thus a cylinder switch. You where also missing the RED/BLACK wire in fact.
I didn't mean that I need violet/red wire (sorry this was leftover from bad edit). At the end I did not have VIOLET (LIN) wire at all, and I wired it and it works well now already for more than half a year! :)
 
Last edited:
I didn't mean that I need violet/red wire (sorry this was leftover from bad edit). At the end I did not have VIOLET (LIN) wire at all, and I wired it and it works well now already for more than half a year! :)
Yes indeed. I included the purple wire as well in my overview.

I see you described the selector signal at T73c/24, but to my knowledge it needs to be T73a/24. In your other post you also mention it at terminal A ?
 
  • Like
Reactions: Slavixs
Yes indeed. I included the purple wire as well in my overview. I see you described T73c/54, but to my knowledge it needs to be T73a/54. In your other post you also mention it as terminal A ?
Look here: https://www.seatcupra.net/forums/th...heel-to-a-mk3-leon.470860/page-4#post-5061834

In one case T16/6 pin should be connected to T73c/54, in other T16/7 pin should be connected to T73a/54. Those are very easy to mistake, so maybe that's where the confusion came from.
 
  • Like
Reactions: Slavixs
Yes indeed. I included the purple wire as well in my overview.

I see you described the selector signal at T73c/24, but to my knowledge it needs to be T73a/24. In your other post you also mention it at terminal A ?
also pin number was wrong typed, not pin 24 but 54. Damn I was in hurry (happy) after that retrofit was done! :doh:
@grabania is always right!
 
  • Like
Reactions: grabania
also pin number was wrong typed, not pin 24 but 54. Damn I was in hurry (happy) after that retrofit was done! :doh:
@grabania is always right!
Now your are mixing things up mate. According to the diagram below (which you send earlier) it needs to be pin 24 on connector A, the new purple (I suspected lin signal) needs to be on T72C/54.

Purple/red = key switch on T72A/54
Purple/blue = gear selector singal on T72A/24
Purple = lin or something else on T72C/54

I do remember this because I needed to unclip both the front and aft connectors but not the middle (suffix B) ;)

A lot of purple, a lot of 4, so the confusion makes sense :)
1743178555498.png
 
  • Like
Reactions: Slavixs
@daanvanbeusekom You are right, only letter was not correct... Just now a small confusion started and looked to pictures which grabania posted in link, and there it was violet/red but didn't checked control module numbers in a hurry. As You said, "A lot of purple, a lot of 4, so the confusion makes sense"
So Yes, at this point we made conclusions - never trust information in internet straight ahead - find correct wiring diagrams and double check them. :)
In fact when I was doing this conversation, there was no info about this, I was doing this on my own with some guidelines from forum users grabania and cairus. Glad that in real life I wired everything correct and didn't burn a car down! ?
 
@daanvanbeusekom You are right, only letter was not correct... Just now a small confusion started and looked to pictures which grabania posted in link, and there it was violet/red but didn't checked control module numbers in a hurry. As You said, "A lot of purple, a lot of 4, so the confusion makes sense"
So Yes, at this point we made conclusions - never trust information in internet straight ahead - find correct wiring diagrams and double check them. :)
In fact when I was doing this conversation, there was no info about this, I was doing this on my own with some guidelines from forum users grabania and cairus. Glad that in real life I wired everything correct and didn't burn a car down! ?
I know what you mean. I did the 5q0 to 5q1 swap last summer. Together we keep up the good work(y)

Today I was preparing a 5q0 to 5q1 swap with a key switch and I started digging and now we seem to have a quite complete overview of the diagrams. Altough the pin out for a 5q1 slipring with start stop steering wheel is completely different :(
 
  • Like
Reactions: Slavixs
I know what you mean. I did the 5q0 to 5q1 swap last summer. Together we keep up the good work(y)

Today I was preparing a 5q0 to 5q1 swap with a key switch and I started digging and now we seem to have a quite complete overview of the diagrams. Altough the pin out for a 5q1 slipring with start stop steering wheel is completely different :(
Do you want to move the start/stop button from the center console to the steering wheel?